
Střídavý elektromotor s rotačním pláštěm pro modely letadel: větroň 700g, trenér 600g, akro 500g, 3D 400g, KV750 ot./min na V, napájení Lixx 2-3s, hřídel 3.175 mm.
| Výrobca | RAY |
| Kód | 3EA0216 |
| Tovar je nedostupný |
15,57 €
GARANCIA CENY
Našli ste lepšiu cenu?
RCM Pelikán » Elektromotory » Střídavé » Letecké » Outrunnery » Modely 0,5-1kg » Motory
RCM Pelikán » Elektromotory » Střídavé » Letecké » Outrunnery » Modely 0,5-1 kg » Motory
Motory RAY G3 jsou výkonné bezkomutátorové (střídavé, "brushless") čtrnáctipólové elektromotory s rotačním pláštěm ("outrunner") s výbornými elektrickými vlastnostmi, propracovanou konstrukcí a výborným výrobním zpracováním. Představují velmi dobrou volbu pro pohon vašich rekreačně-sportovních modelů s výbornými výkonovými parametry, dobrou účinností a příznivou cenou. Jsou to nízkootáčkové motory s velkým točivým momentem zvládající vrtule o velkém průměru i stoupání bez potřeby převodovky.
| Systém označování motorů: CxxYY-zzzz |
| C - střídavý motor s rotačním pláštěm ("outrunner", "oběžka") |
| xx - průměr motoru v mm |
| YY - délka motoru v mm |
| zzzz - počet otáček na volt (ot./min na V), „KV“ |
RAY G3 C2830-750 je malý střídavý motor učený pro pohon malých modelů s letovou hmotností do 700 g s napájením z dvoučlánkového nebo tříčlánkového akumulátoru Li-poly. Výborně se hodí pro park-flyery Dumas a modely SIG/HERR o rozpětí 1000-1200 mm. Vhodný je spíše pro motorové větroně, 3D modely a pomalejší motorové modely, kde lépe funguje vrtule o větším průměru s nižším počtem otáček.
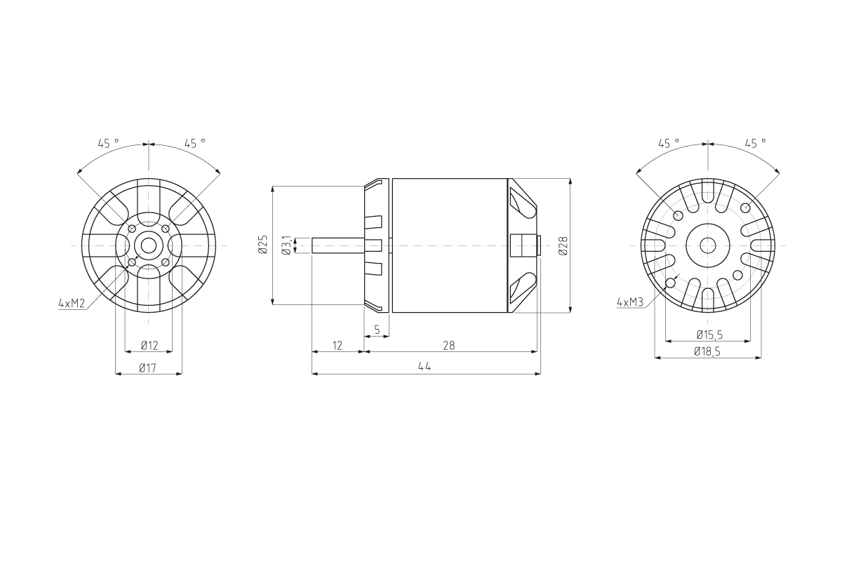
Montáž motoru: RAY G3 C2830-750 je konstruován pro přední i zadní montáž. Při přední montáži za čelo motoru použijte nejméně dva (protilehlé), nebo čtyři šrouby M3, které zasahují do čela motoru v rozmezí 3 - 4 mm. Páry otvorů pro upevňovací šrouby v čele motoru jsou rozmístěny pravidelně o 180° na kružnicích o průměru 16 a 19 mm. Motorová přepážka by měla být z 2-3 mm letecké překližky. Sada pro zadní montáž (upevňovací kříž, unašeč vrtule pro zadní motáž) je dodávána spolu s motorem.
Sada motoru obsahuje: motor C2830-750 s kabely s připájenými 3,5 mm zlacenými konektory, sadu pro zadní montáž, návod.
| Napájení LiXX článků | 2 - 3 |
| Otáčky na volt [ot./min/V] | 750 |
| Max. výkon (30 s/3S LiPo) [W] | 125 |
| Proud naprázdno (2S) [mA] | 300 |
| Max. špičkový proud (30 s) [A] | 15 |
| Průměr [mm] | 27.8 |
| Délka [mm] | 31 |
| Průměr hřídele [mm] | 3.175 |
| Hmotnost [g] | 60 |
| Počet pólů | 14 |
| Časování [°] | 15 - 25 |
| Regulátor [A] | 18 - 25 |
| Větroň do hmotnosti [g] | 700 |
| Trenér do hmotnosti [g] | 600 |
| Akrobat do hmotnosti [g] | 500 |
| 3D do hmotnosti [g] | 400 |
| Doporučená vrtule | 2S: 12x5” |
| 3S: 11x5” | |
Nie sú k dispozícií žiadne parametre produktu
V nákupnom košíku
nemáte žiadne položky
Telefonický kontakt: pondelok až piatok od 9.00h. do 17.00h.
Osobný odber: pondelok až piatok od 14.00h. do 17.00h. (po telefonickej dohode je možný osobný odber aj v inom čase)
Stav skladu je automaticky aktualizovaný (min. 1×/deň).
ihneď: tovar je u nás na sklade, u Vás môže byť do 24h alebo si ho môžete už aj dnes vyzdvihnúť u nás v predajni.
1 - 4 (5, 6) dní: tovar je na sklade u našich dodávateľov, odosielame ho ihneď po prijatí na sklad.
×: tovar nie je ani u dodávateľov alebo nie je info o stave skladu, približný termín dodania Vám preveríme na požiadanie.
Vážení zákazníci, okrem tradičneho spôsobu nákupu môžete využiť aj nákup na splátky.

Naše webové stránky používajú súbory cookies za účelom správnej funkčnosti a analýzy návštevnosti. Takisto na našom serveri ukladáme Vašu IP adresu za účelom bezpečnosti našich stránok. Pre viac informácií si prečítajte naše Pravidlá spracúvania osobných údajov a ochrany súkromia