
Střídavý elektromotor nové generace s rotačním pláštěm uzavřeným v pevném vnějším pouzdru pro modely: větroň 1700g, napájení Lixx 3s, hřídel 5 mm, regulátor 30A.
| Výrobca | AXI |
| Kód | 3EL105701 |
| · do 2 - 4 dní | 2 ks |
117,41 €
GARANCIA CENY
Našli ste lepšiu cenu?
RCM Pelikán » Elektromotory » Střídavé » Letecké » Outrunnery » Modely 1-2kg » Motory
RCM Pelikán » Elektromotory » Střídavé » Letecké » Outrunnery » Modely 1-2 kg » Motory
Motory řady AXI Cyclone mají zcela novou koncepci – vycházejí sice z motorů AXI V2 Long, ale jejich rotační plášť je uzavřen do vnějšího pouzdra, takže odpadají problémy spojené s instalací do omezených prostor v přídích trupů motorových větroňů. Zcela je vyloučeno riziko kontaktu otáčejícího se pláště s kabely nebo jinými částmi modelu. Stejně jako u motorů AXI V2 Long je použita speciální vnitřní konstrukce s integrovaným chladícím systémem na principu turbínového efektu proudění vzduchu, která udržuje vinutí motoru chladnější. Přední čelo je kónicky prodloužené pro snadnou montáž do trupů větroňů o malém průměru přídě.
Robustní a spolehlivé vysokovýkonné střídavé motory řady AXI 2814/xx Cyclone s otočným pláštěm a neodymovými magnety mají kalenou hřídel o průměru 5 mm uloženou ve třech kuličkových ložiscích, která zajišťují velmi dobrou mechanickou stabilitu při normální i obrácené montáži. Rotory motorů řady AXI 2814/xx Cyclone jsou vyváženy na nejmodernějším dynamickém vyvažovacím zařízení od renomované společnosti Schenck. Kvalitní japonská ložiska, dodávaná do motorů řady Cyclone se vyznačují vyšší životností a tichým chodem.
Motory řady AXI 2814/xx Cyclone jsou díky svému velkému kroutícímu momentu vhodné pro přímý pohon velkých vrtulí bez nutnosti použít převodovku, což zajišťuje velmi dobrou účinnost celého pohonu.
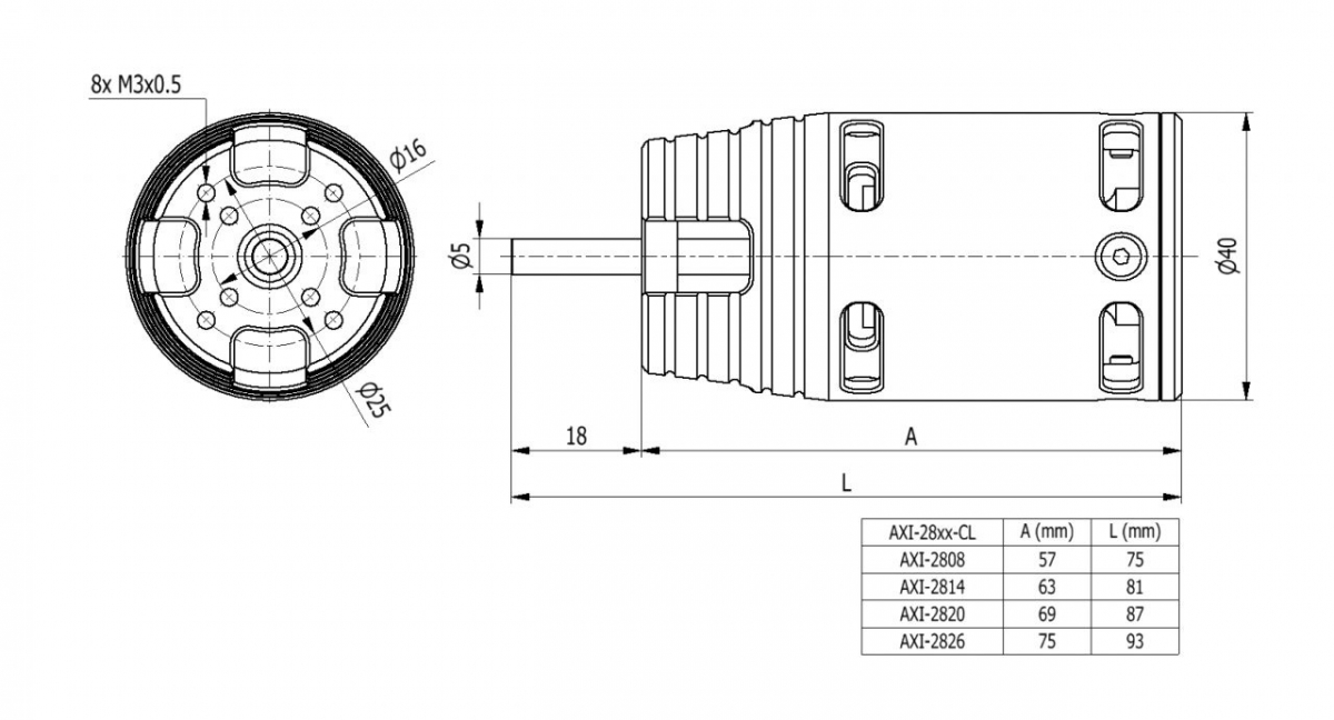
| Systém označování motorů: AXI xxYY/zz |
| xx - průměr statoru v mm |
| YY - délka statoru v mm |
| zz - počet závitů |
AXI 2814/16 Cyclone je střídavý motor učený pro pohon modelů s letovou hmotností do 1700 g s napájením z tříčlánkového akumulátoru Li-poly. Výborně se hodí pro 2-2,5 m termické větroně.
Montáž motoru: AXI 2814/16 Cyclone je konstruován pro přední montáž. Pro upevnění použijte čtyři šrouby M3, které zasahují do čela motoru v rozmezí 4-5 mm. Motorová přepážka by měla být ze 4-5 mm letecké překližky.
Sada motoru obsahuje: střídavý motor AXI 2814/16 Cyclone, návod.
| Napájení LiXX článků | 3 |
| Otáčky na volt [ot./min/V] | 1035 |
| Počet závitů | 16 |
| Vnitřní odpor [mOhm] | 85 |
| Proud naprázdno [A] | 1 |
| Max. účinnost [%] | 84 |
| Proud při max. účinnosti (?>75%) [A] | 12 - 20 |
| Max. špičkový proud (60 s) [A] | 36 |
| Max. výkon [W] | 335 |
| Průměr [mm] | 40 |
| Délka [mm] | 63 |
| Průměr hřídele [mm] | 5 |
| Hmotnost [g] | 164 |
| Počet pólů | 14 |
| Časování [°] | 15 - 25 |
| Regulátor [A] | 40 - 50 |
| Větroň do hmotnosti [g] | 1700 |
| Doporučená vrtule | 3S: 11x5" |
Nie sú k dispozícií žiadne parametre produktu
V nákupnom košíku
nemáte žiadne položky
Telefonický kontakt: pondelok až piatok od 9.00h. do 17.00h.
Osobný odber: Budeme Vás informovať, či je objednávka pripravená a dohodneme si termín odberu.
Stav skladu je automaticky aktualizovaný (min. 1×/deň).
ihneď: tovar je u nás na sklade, u Vás môže byť do 24h alebo si ho môžete už aj dnes vyzdvihnúť u nás v predajni.
1 - 4 (5, 6) dní: tovar je na sklade u našich dodávateľov, odosielame ho ihneď po prijatí na sklad.
×: tovar nie je ani u dodávateľov alebo nie je info o stave skladu, približný termín dodania Vám preveríme na požiadanie.
Vážení zákazníci, okrem tradičneho spôsobu nákupu môžete využiť aj nákup na splátky.

Naše webové stránky používajú súbory cookies za účelom správnej funkčnosti a analýzy návštevnosti. Takisto na našom serveri ukladáme Vašu IP adresu za účelom bezpečnosti našich stránok. Pre viac informácií si prečítajte naše Pravidlá spracúvania osobných údajov a ochrany súkromia