
Střídavý elektromotor s rotačním pláštěm nové generace pro modely trenér do 260g, akro do 190g, 3D 150g, napájení Lixx 2s, hřídel 3,17 mm, regulátor 10-12A.
| Výrobca | AXI |
| Kód | 3EL10552V2 |
| · do 2 - 4 dní | 1 ks |
60,41 €
GARANCIA CENY
Našli ste lepšiu cenu?
RCM Pelikán » Elektromotory » Střídavé » Letecké » Outrunnery » Modely do 0,5kg » Motory
RCM Pelikán » Elektromotory » Střídavé » Letecké » Outrunnery » Modely do 0,5 kg » Motory
Nová generace motorů AXI V2 má vyšší výkon díky svému propracovanému designu, který ve spojení s integrovaným chladícím systémem na principu turbínového efektu proudění vzduchu udržuje vinutí motoru chladnější až o 20%.
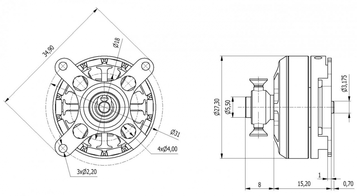
Robustní a spolehlivé vysokovýkonné střídavé motory řady AXI 2203/xx V2 s otočným pláštěm a neodymovými magnety mají kalenou hřídel o průměru 3,17 mm uloženou ve dvou kuličkových ložiscích, která zajišťují velmi dobrou mechanickou stabilitu. Hřídel je opatřena gumičkovým unašečem; motory jsou konstruovány pro zadní montáž na patky, které jsou součástí předního čela (s vyjímkou AXI 2203/RACE V2). Rotory motorů řady AXI 2203/xx V2 jsou vyváženy na nejmodernějším dynamickém vyvažovacím zařízení od renomované společnosti Schenck. Kvalitní japonská ložiska, dodávaná do motorů řady V2 se vyznačují vyšší životností a tichým chodem.
Motory řady AXI 2203/xx V2 jsou díky svému velkému kroutícímu momentu vhodné pro přímý pohon velkých vrtulí bez nutnosti použít převodovku, což zajišťuje velmi dobrou účinnost celého pohonu.
| Systém označování motorů: AXI xxYY/zz |
| xx - průměr statoru v mm |
| YY - délka statoru v mm |
| zz - počet závitů |
AXI 2203/52 V2 je miniaturní střídavý motor učený pro pohon malých modelů s letovou hmotností do 260 g s napájením z dvoučlánkového akumulátoru Li-poly. S jeho pomocí můžete úspěšně "elektrifikovat" např. gumáčky ze stavebnic Guillow's nebo Dumas s rozpětím cca 700-1000 mm. Výborný je pro halové akrobatické modfely do 190 g.
Montáž motoru: AXI 2203/52 V2 je konstruován výhradně pro zadní montáž s pomocí trojice patek na předním čelu, gumičkový unašeč vhodný pro vrtule GWS je integrální součástí motoru. Osazení unašeče pro vrtuli má průměr 5,5 mm, s motorem jsou dodávány ještě dva adaptéry s průměrem osazení 7 a 8 mm. Motorová přepážka by měla být z 1-1,5 mm letecké překližky.
Sada motoru obsahuje: motor AXI 2203/46 V2 s kabely, adaptéry pro vrtuli 7 a 8 mm, O-kroužek pro gumičkový unašeč, návod.
| Napájení LiXX článků | 2 |
| Otáčky na volt [ot./min/V] | 1525 |
| Počet závitů | 52 |
| Vnitřní odpor [mOhm] | 390 |
| Proud naprázdno [mA] | 400 |
| Max. účinnost [%] | 75 |
| Proud při max. účinnosti (?>69%) [A] | 2 - 5.5 |
| Max. špičkový proud (20 s) [A] | 8 |
| Max. výkon [W] | 51 |
| Průměr [mm] | 27.7 |
| Délka [mm] | 21 |
| Průměr hřídele [mm] | 3.17 |
| Hmotnost [g] | 20 |
| Počet pólů | 14 |
| Časování [°] | 15 - 25 |
| Regulátor [A] | 10 - 12 |
| Trenér do hmotnosti [g] | 260 |
| Akrobat do hmotnosti [g] | 190 |
| 3D do hmotnosti [g] | 150 |
| Doporučená vrtule | 2S: 8x3,8", 8x4,3" |
Nie sú k dispozícií žiadne parametre produktu
V nákupnom košíku
nemáte žiadne položky
Telefonický kontakt: pondelok až piatok od 9.00h. do 17.00h.
Osobný odber: Budeme Vás informovať, či je objednávka pripravená a dohodneme si termín odberu.
Stav skladu je automaticky aktualizovaný (min. 1×/deň).
ihneď: tovar je u nás na sklade, u Vás môže byť do 24h alebo si ho môžete už aj dnes vyzdvihnúť u nás v predajni.
1 - 4 (5, 6) dní: tovar je na sklade u našich dodávateľov, odosielame ho ihneď po prijatí na sklad.
×: tovar nie je ani u dodávateľov alebo nie je info o stave skladu, približný termín dodania Vám preveríme na požiadanie.
Vážení zákazníci, okrem tradičneho spôsobu nákupu môžete využiť aj nákup na splátky.

Naše webové stránky používajú súbory cookies za účelom správnej funkčnosti a analýzy návštevnosti. Takisto na našom serveri ukladáme Vašu IP adresu za účelom bezpečnosti našich stránok. Pre viac informácií si prečítajte naše Pravidlá spracúvania osobných údajov a ochrany súkromia