
Střídavý elektromotor s rotačním pláštěm pro modely letadel: větroň 250g, trenér 250g, akro 200g, 3D 150g, KV1800 ot./min na V, napájení Lixx 2-3s. Hřídel 4,0mm/gumičkový unašeč 5,5mm. Alternativní označení podle rozměrů statoru: 2204-1800.
| Výrobca | KAVAN |
| Kód | KAV30.2006 |
| Tovar je nedostupný |
23,74 €
GARANCIA CENY
Našli ste lepšiu cenu?
RCM Pelikán » Elektromotory » Střídavé » Letecké » Outrunnery » Modely do 0,5kg » Motory
RCM Pelikán » Elektromotory » Střídavé » Letecké » Outrunnery » Modely do 0,5 kg » Motory
Motory KAVAN PRO jsou vysokovýkonné bezkomutátorové (střídavé, "brushless") čtrnáctipólové elektromotory s rotačním pláštěm ("outrunner") s vynikajícími elektrickými vlastnostmi, propracovanou konstrukcí a špičkovým výrobním zpracováním. Hřídele z tvrzené oceli a kvalitní ložiska zajišťují vysokou životnost, jakostní materiály použité pro zhotovení statoru i rotoru zaručují rovněž výborné výkonové parametry při vysoké účinnosti. Jsou to nízkootáčkové motory s velkým kroutícím momentem zvládající vrtule o velkém průměru i stoupání bez potřeby převodovky.
| Systém označování motorů: PRO xxYY-zzzz |
| PRO - střídavý motor s rotačním pláštěm ("outrunner", "oběžka") |
| xx - průměr motoru v mm |
| YY - délka motoru v mm |
| zzzz - počet otáček na volt (ot./min na V), „KV“ |
KAVAN PRO 2811-1800
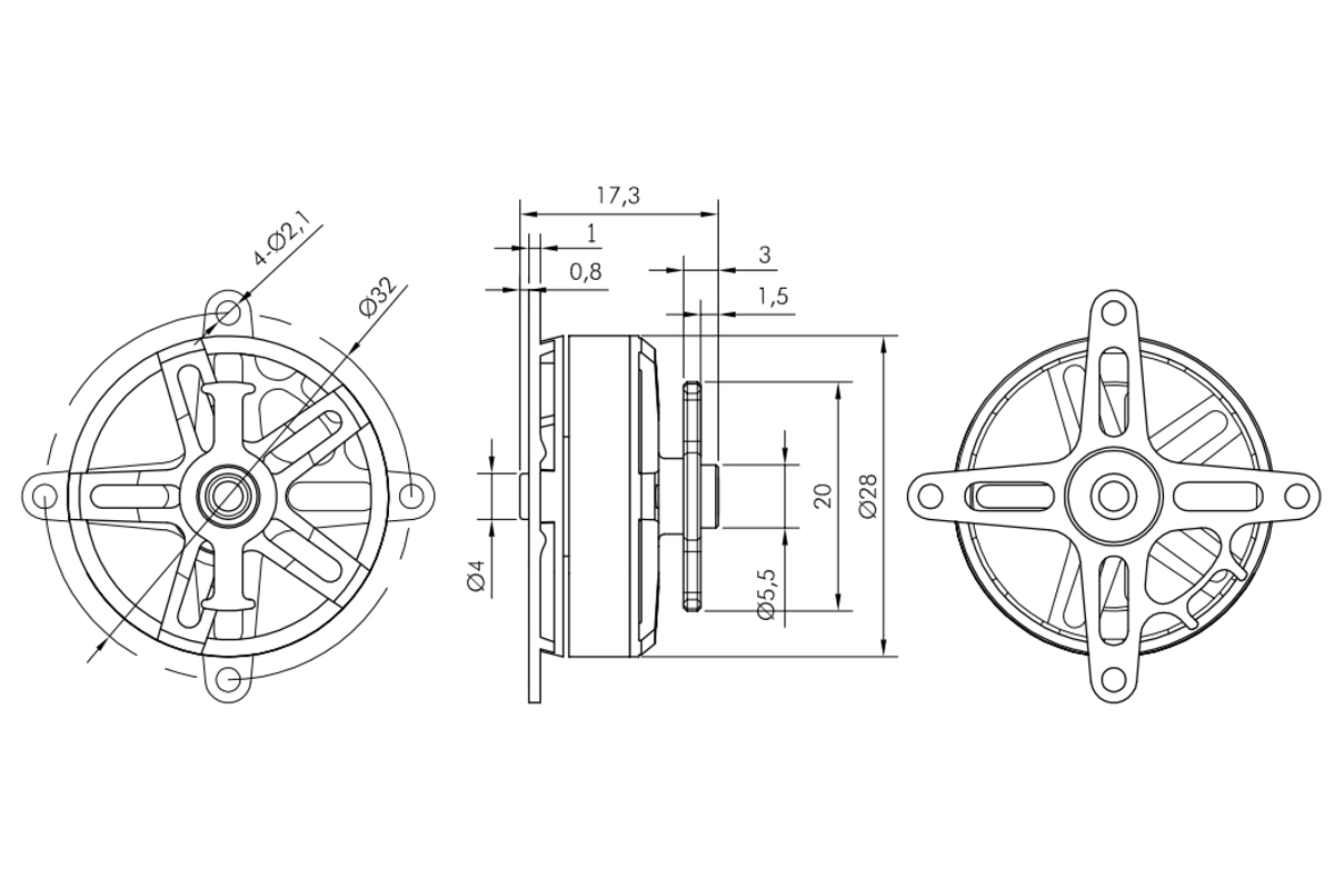
KAVAN PRO 2811-1800 je miniaturní střídavý motor učený pro pohon malých modelů s letovou hmotností do 250 g s napájením z dvoučlánkového nebo tříčlánkového akumulátoru LiPo. S jeho pomocí můžete úspěšně "elektrifikovat" např. gumáčky ze stavebnic Guillow's nebo Dumas s rozpětím do cca 1000 mm, výborný je i pro park-flyery a halové akrobatické modely.
Montáž motoru: KAVAN PRO PRO 2811-1800 je konstruován pro zadní montáž s vrtulí upevněnou pomocí gumičkového unašeče (O5,5 mm). Při montáži použijte nejméně dva (protilehlé), nebo čtyři šrouby M2. Motorová přepážka by měla být z 1-1,5 mm letecké překližky. Upevňovací kříž je součástí motoru.
Sada motoru obsahuje: motor KAVAN PRO PRO 2811-1800 s kabely (bez konektorů), příslušenství gumičkového unašeče. Úplný návod k obsluze motoru si můžete stáhnout zde: Střídavé motory KAVAN PRO - Návod k obsluze
Pozn.: Alternativní označení dle rozměrů statoru 2204-1800.
| Napájení LiXX článků | 2 - 3 |
| Otáčky na volt [ot./min/V] | 1800 |
| Max. výkon (180 s) [W] | 110 |
| Vnitřní odpor [mOhm] | 138 |
| Proud naprázdno (při 10 V) [mA] | 500 |
| Max. špičkový proud (180 s) [A] | 13 |
| Průměr [mm] | 28 |
| Délka [mm] | 11 |
| Délka celková [mm] | 17.3 |
| Průměr hřídele [mm] | 4 |
| Hmotnost [g] | 20 |
| Počet pólů | 14 |
| Časování [°] | 20 - 25 |
| Regulátor [A] | 15 - 20 |
| Větroň do hmotnosti [g] | 250 |
| Trenér do hmotnosti [g] | 250 |
| Akrobat do hmotnosti [g] | 200 |
| 3D do hmotnosti [g] | 150 |
| Doporučená vrtule | 2S: 8x4"-9x5" |
| 3S: 7x3.5" | |
Nie sú k dispozícií žiadne parametre produktu
V nákupnom košíku
nemáte žiadne položky
Telefonický kontakt: pondelok až piatok od 9.00h. do 17.00h.
Osobný odber: pondelok až piatok od 14.00h. do 17.00h. (po telefonickej dohode je možný osobný odber aj v inom čase)
Stav skladu je automaticky aktualizovaný (min. 1×/deň).
ihneď: tovar je u nás na sklade, u Vás môže byť do 24h alebo si ho môžete už aj dnes vyzdvihnúť u nás v predajni.
1 - 4 (5, 6) dní: tovar je na sklade u našich dodávateľov, odosielame ho ihneď po prijatí na sklad.
×: tovar nie je ani u dodávateľov alebo nie je info o stave skladu, približný termín dodania Vám preveríme na požiadanie.
Vážení zákazníci, okrem tradičneho spôsobu nákupu môžete využiť aj nákup na splátky.

Naše webové stránky používajú súbory cookies za účelom správnej funkčnosti a analýzy návštevnosti. Takisto na našom serveri ukladáme Vašu IP adresu za účelom bezpečnosti našich stránok. Pre viac informácií si prečítajte naše Pravidlá spracúvania osobných údajov a ochrany súkromia