
Střídavý elektromotor nové generace s rotačním pláštěm uzavřeným v pevném vnějším pouzdru pro modely: větroň 2400g, napájení Lixx 3s, hřídel 5 mm, regulátor 40A.
| Výrobca | AXI |
| Kód | 3EL105703 |
| · do 2 - 4 dní | 1 ks |
134,51 €
GARANCIA CENY
Našli ste lepšiu cenu?
RCM Pelikán » Elektromotory » Střídavé » Letecké » Outrunnery » Modely nad 2kg » Motory
RCM Pelikán » Elektromotory » Střídavé » Letecké » Outrunnery » Modely od 2 kg » Motory
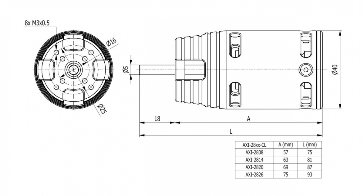
Motory řady Cyclone mají zcela novou koncepci – vycházejí sice z motorů AXI V2 Long, ale jejich rotační plášť je uzavřen do vnějšího pouzdra, takže odpadají problémy spojené s instalací do omezených prostor v přídích trupů motorových větroňů. Zcela je vyloučeno riziko kontaktu otáčejícího se pláště s kabely nebo jinými částmi modelu. Stejně jako u motorů AXI V2 Long je použita speciální vnitřní konstrukce s integrovaným chladícím systémem na principu turbínového efektu proudění vzduchu, která udržuje vinutí motoru chladnější. Přední čelo je kónicky prodloužené pro snadnou montáž do trupů větroňů o malém průměru přídě.
Robustní a spolehlivé vysokovýkonné střídavé motory řady AXI 2820/xx Cyclone s otočným pláštěm a neodymovými magnety mají kalenou hřídel o průměru 5 mm uloženou ve čtyřech kuličkových ložiscích, která zajišťují velmi dobrou mechanickou stabilitu při normální i obrácené montáži a dovolují vysoká dynamická zatížení běžná při akrobatickém létání a zaručují velmi vysokou životnost. Rotory motorů řady AXI 2820/xx Cyclone jsou vyváženy na nejmodernějším dynamickém vyvažovacím zařízení od renomované společnosti Schenck. Kvalitní japonská ložiska, dodávaná do motorů řady Cyclone se vyznačují vyšší životností a tichým chodem.
Motory řady AXI 2820/xx Cyclone jsou díky svému velkému kroutícímu momentu vhodné pro přímý pohon velkých vrtulí bez nutnosti použít převodovku, což zajišťuje velmi dobrou účinnost celého pohonu.
| Systém označování motorů: AXI xxYY/zz |
| xx - průměr statoru v mm |
| YY - délka statoru v mm |
| zz - počet závitů |
AXI 2820/12 Cyclone je střídavý motor učený pro pohon modelů s letovou hmotností do 2600 g s napájením z tří- nebo čtyřčlánkového akumulátoru Li-poly. Výborně se hodí pro 2-3 m termické motorové větroně apod.
Montáž motoru: AXI 2820/12 Cyclone je konstruován pro přední montáž. Pro upevnění použijte čtyři šrouby M3, které zasahují do čela motoru v rozmezí 4-5 mm. Motorová přepážka by měla být z 5 mm letecké překližky.
Sada motoru obsahuje: střídavý motor AXI 2820/12 Cyclone, návod.
| Napájení LiXX článků | 2 - 3 |
| Otáčky na volt [ot./min/V] | 990 |
| Počet závitů | 12 |
| Vnitřní odpor [mOhm] | 59 |
| Proud naprázdno [A] | 1.6 |
| Max. účinnost [%] | 85 |
| Proud při max. účinnosti (?>76%) [A] | 15 - 25 |
| Max. špičkový proud (60 s) [A] | 40 |
| Max. výkon [W] | 660 |
| Průměr [mm] | 40 |
| Délka [mm] | 69 |
| Průměr hřídele [mm] | 5 |
| Hmotnost [g] | 197 |
| Počet pólů | 14 |
| Časování [°] | 15 - 25 |
| Regulátor [A] | 40 - 60 |
| Větroň do hmotnosti [g] | 2400 |
| Doporučená vrtule | 3S: 12x6,5" |
Nie sú k dispozícií žiadne parametre produktu
V nákupnom košíku
nemáte žiadne položky
Telefonický kontakt: pondelok až piatok od 9.00h. do 17.00h.
Osobný odber: pondelok až piatok od 14.00h. do 17.00h. (po telefonickej dohode je možný osobný odber aj v inom čase)
Stav skladu je automaticky aktualizovaný (min. 1×/deň).
ihneď: tovar je u nás na sklade, u Vás môže byť do 24h alebo si ho môžete už aj dnes vyzdvihnúť u nás v predajni.
1 - 4 (5, 6) dní: tovar je na sklade u našich dodávateľov, odosielame ho ihneď po prijatí na sklad.
×: tovar nie je ani u dodávateľov alebo nie je info o stave skladu, približný termín dodania Vám preveríme na požiadanie.
Vážení zákazníci, okrem tradičneho spôsobu nákupu môžete využiť aj nákup na splátky.

Naše webové stránky používajú súbory cookies za účelom správnej funkčnosti a analýzy návštevnosti. Takisto na našom serveri ukladáme Vašu IP adresu za účelom bezpečnosti našich stránok. Pre viac informácií si prečítajte naše Pravidlá spracúvania osobných údajov a ochrany súkromia