
Střídavý elektromotor s rotačním pláštěm pro modely letadel: větroň 2700g, trenér 2600g, akro 2300g, 3D 1500g, KV750 ot./min na V, napájení Lixx 3-5s. Hřídel 5,0mm. Alternativní označení podle rozměrů statoru: 2826-750.
| Výrobca | KAVAN |
| Kód | KAV30.2025 |
| Tovar je nedostupný |
53,19 €
GARANCIA CENY
Našli ste lepšiu cenu?
RCM Pelikán » Elektromotory » Střídavé » Letecké » Outrunnery » Modely nad 2kg » Motory
RCM Pelikán » Elektromotory » Střídavé » Letecké » Outrunnery » Modely od 2 kg » Motory
Motory KAVAN PRO jsou vysokovýkonné bezkomutátorové (střídavé, "brushless") čtrnáctipólové elektromotory s rotačním pláštěm ("outrunner") s vynikajícími elektrickými vlastnostmi, propracovanou konstrukcí a špičkovým výrobním zpracováním. Hřídele z tvrzené oceli a kvalitní ložiska zajišťují vysokou životnost, jakostní materiály použité pro zhotovení statoru i rotoru zaručují rovněž výborné výkonové parametry při vysoké účinnosti. Jsou to nízkootáčkové motory s velkým kroutícím momentem zvládající vrtule o velkém průměru i stoupání bez potřeby převodovky.
| Systém označování motorů: PRO xxYY-zzzz |
| PRO - střídavý motor s rotačním pláštěm ("outrunner", "oběžka") |
| xx - průměr motoru v mm |
| YY - délka motoru v mm |
| zzzz - počet otáček na volt (ot./min na V), „KV“ |
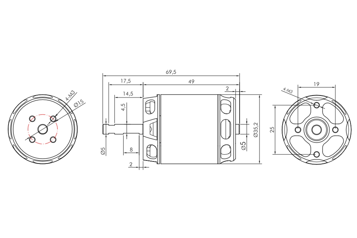
KAVAN PRO 3548-750
KAVAN PRO 3548-750 je střídavý motor učený pro pohon modelů s letovou hmotností do 2700 g s napájením ze tří- až pětičlánkového akumulátoru LiPo. Výborně se hodí pro modely, jako jsou naše EPP "Warbirdy" a akrobatické modely o rozpětí 1300-1400 mm, Spitfire EP nebo Mustang EP od Phoenixu apod.
Montáž motoru: KAVAN PRO 3548-750 je konstruován pro přední i zadní montáž. Při přední montáži za čelo motoru použijte čtyři šrouby M3, které zasahují do čela motoru v rozmezí 3,5-4 mm. Motorová přepážka by měla být z 5 mm letecké překližky. Sada pro zadní montáž (upevňovací kříž, unašeč vrtule pro zadní montáž) je dodávána spolu s motorem.
Sada motoru obsahuje: střídavý motor KAVAN PRO 3548-750 s kabely s připájenými 3,5 mm zlacenými konektory, sadu pro zadní montáž. Úplný návod k obsluze motoru si můžete stáhnout zde: Střídavé motory KAVAN PRO - Návod k obsluze
Pozn.: Alternativní označení dle rozměrů statoru 2826-750.
| Napájení LiXX článků | 3 - 5 |
| Otáčky na volt [ot./min/V] | 750 |
| Max. výkon (180 s) [W] | 870 |
| Vnitřní odpor [mOhm] | 32 |
| Proud naprázdno (při 10 V) [A] | 1.8 |
| Max. špičkový proud (180 s) [A] | 50 |
| Průměr [mm] | 35.2 |
| Délka [mm] | 47 |
| Délka celková [mm] | 69.5 |
| Průměr hřídele [mm] | 5 |
| Hmotnost [g] | 175 |
| Počet pólů | 14 |
| Časování [°] | 20 - 25 |
| Regulátor [A] | 50 - 70 |
| Větroň do hmotnosti [g] | 2700 |
| Trenér do hmotnosti [g] | 2600 |
| Akrobat do hmotnosti [g] | 2300 |
| 3D do hmotnosti [g] | 1500 |
| Doporučená vrtule | 4S: 13x6.5" |
| 5S: 12x6” | |
Nie sú k dispozícií žiadne parametre produktu
V nákupnom košíku
nemáte žiadne položky
Telefonický kontakt: pondelok až piatok od 9.00h. do 17.00h.
Osobný odber: pondelok až piatok od 14.00h. do 17.00h. (po telefonickej dohode je možný osobný odber aj v inom čase)
Stav skladu je automaticky aktualizovaný (min. 1×/deň).
ihneď: tovar je u nás na sklade, u Vás môže byť do 24h alebo si ho môžete už aj dnes vyzdvihnúť u nás v predajni.
1 - 4 (5, 6) dní: tovar je na sklade u našich dodávateľov, odosielame ho ihneď po prijatí na sklad.
×: tovar nie je ani u dodávateľov alebo nie je info o stave skladu, približný termín dodania Vám preveríme na požiadanie.
Vážení zákazníci, okrem tradičneho spôsobu nákupu môžete využiť aj nákup na splátky.

Naše webové stránky používajú súbory cookies za účelom správnej funkčnosti a analýzy návštevnosti. Takisto na našom serveri ukladáme Vašu IP adresu za účelom bezpečnosti našich stránok. Pre viac informácií si prečítajte naše Pravidlá spracúvania osobných údajov a ochrany súkromia