
Střídavý elektromotor s rotačním pláštěm nové generace pro modely akro do 170g, napájení Lixx 2s, hřídel 3,17 mm, regulátor 10-12A. Verze s gumičkovým unašečem.
| Výrobca | AXI |
| Kód | 3EL105520V2S |
| · do 2 - 4 dní | 1 ks |
57,00 €
GARANCIA CENY
Našli ste lepšiu cenu?
Základná ponuka » Elektromotory » Striedavé AXI
RCM Pelikán » Elektromotory » Střídavé » Letecké » Outrunnery » Modely do 0,5kg » Motory
RCM Pelikán » Elektromotory » Střídavé » Letecké » Outrunnery » Modely do 0,5 kg » Motory
Nová generace motorů AXI V2 má vyšší výkon díky svému propracovanému designu, který ve spojení s integrovaným chladícím systémem na principu turbínového efektu proudění vzduchu udržuje vinutí motoru chladnější až o 20%.
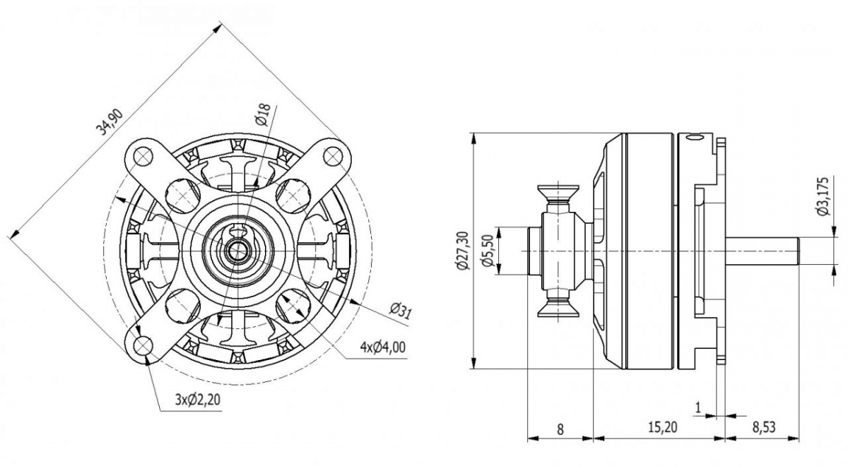
Robustní a spolehlivé vysokovýkonné střídavé motory řady AXI 2203/xx V2 s otočným pláštěm a neodymovými magnety mají kalenou hřídel o průměru 3,17 mm uloženou ve dvou kuličkových ložiscích, která zajišťují velmi dobrou mechanickou stabilitu. Hřídel je opatřena gumičkovým unašečem; motory jsou konstruovány pro zadní montáž na patky, které jsou součástí předního čela (s vyjímkou AXI 2203/RACE V2). Rotory motorů řady AXI 2203/xx V2 jsou vyváženy na nejmodernějším dynamickém vyvažovacím zařízení od renomované společnosti Schenck. Kvalitní japonská ložiska, dodávaná do motorů řady V2 se vyznačují vyšší životností a tichým chodem.
Motory řady AXI 2203/xx V2 jsou díky svému velkému kroutícímu momentu vhodné pro přímý pohon velkých vrtulí bez nutnosti použít převodovku, což zajišťuje velmi dobrou účinnost celého pohonu.
| Systém označování motorů: AXI xxYY/zz |
| xx - průměr statoru v mm |
| YY - délka statoru v mm |
| zz - počet závitů |
AXI 2203/RACE SAVER V2 je miniaturní střídavý motor s gumičkovým unašečem vrtule učený pro pohon malých rychlých modelů s letovou hmotností do 220 g s napájením z dvoučlánkového akumulátoru Li-poly. Motor byl speciálně vyvinut pro rychlé halové akrobatické modely kategorie AIR RACE do 170 g.
Montáž motoru: AXI 2203/RACE SAVER V2 je konstruován pro přední montáž s pomocí trojice patek na předním čelu. Motorová přepážka by měla být z 1-1,5 mm letecké překližky.
Sada motoru obsahuje: motor AXI 2203/RACE SAVER V2 s kabely, příslušenství gumičkového unašeče, návod.
| Napájení LiXX článků | 2 |
| Otáčky na volt [ot./min/V] | 2300 |
| Vnitřní odpor [mOhm] | 220 |
| Proud naprázdno [mA] | 550 |
| Max. účinnost [%] | 75 |
| Proud při max. účinnosti (?>69%) [A] | 3 - 7.5 |
| Max. špičkový proud (20 s) [A] | 10 |
| Max. výkon [W] | 62 |
| Průměr [mm] | 27.7 |
| Délka [mm] | 21 |
| Průměr hřídele [mm] | 3.17 |
| Hmotnost [g] | 19 |
| Počet pólů | 14 |
| Časování [°] | 15 - 25 |
| Regulátor [A] | 10 - 12 |
| Akrobat do hmotnosti [g] | 170 |
| Doporučená vrtule | 2S: 7x3,5" |
Nie sú k dispozícií žiadne parametre produktu
V nákupnom košíku
nemáte žiadne položky
Telefonický kontakt: pondelok až piatok od 9.00h. do 17.00h.
Osobný odber: pondelok až piatok od 14.00h. do 17.00h. (po telefonickej dohode je možný osobný odber aj v inom čase)
Stav skladu je automaticky aktualizovaný (min. 1×/deň).
ihneď: tovar je u nás na sklade, u Vás môže byť do 24h alebo si ho môžete už aj dnes vyzdvihnúť u nás v predajni.
1 - 4 (5, 6) dní: tovar je na sklade u našich dodávateľov, odosielame ho ihneď po prijatí na sklad.
×: tovar nie je ani u dodávateľov alebo nie je info o stave skladu, približný termín dodania Vám preveríme na požiadanie.
Vážení zákazníci, okrem tradičneho spôsobu nákupu môžete využiť aj nákup na splátky.

Naše webové stránky používajú súbory cookies za účelom správnej funkčnosti a analýzy návštevnosti. Takisto na našom serveri ukladáme Vašu IP adresu za účelom bezpečnosti našich stránok. Pre viac informácií si prečítajte naše Pravidlá spracúvania osobných údajov a ochrany súkromia