
Střídavý elektromotor s rotačním pláštěm nové generace pro modely 3D 2000g, napájení Lixx 6s, hřídel 5 mm, regulátor 25-40A. Včetně kleštinového unašeče pro pevnou vrtuli a sady pro zadní montáž.
| Výrobca | AXI |
| Kód | 3EL105614V2 |
| Tovar je nedostupný |
114,00 €
GARANCIA CENY
Našli ste lepšiu cenu?
RCM Pelikán » Elektromotory » Střídavé » Letecké » Outrunnery » Modely nad 2kg » Motory
Základná ponuka » Elektromotory » Striedavé AXI
Nová generace motorů AXI 2826/xx V2 má vyšší výkon díky svému propracovanému designu, který ve spojení s integrovaným chladícím systémem na principu turbínového efektu proudění vzduchu udržuje vinutí motoru chladnější až o 20%.
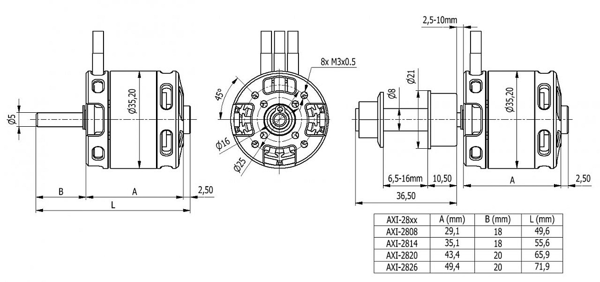
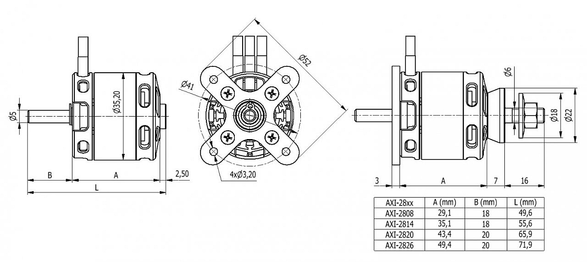
Robustní a spolehlivé vysokovýkonné střídavé motory řady AXI 2826/xx V2 s otočným pláštěm a neodymovými magnety mají kalenou hřídel o průměru 5 mm uloženou ve třech kuličkových ložiscích, která zajišťují velmi dobrou mechanickou stabilitu při normální i obrácené montáži a dovolují vysoká dynamická zatížení běžná při akrobatickém létání a zaručují velmi vysokou životnost. Rotory motorů řady AXI 2826/xx V2 jsou vyváženy na nejmodernějším dynamickém vyvažovacím zařízení od renomované společnosti Schenck. Kvalitní japonská ložiska, dodávaná do motorů řady V2 se vyznačují vyšší životností a tichým chodem.
Motory řady AXI 2826/xx V2 jsou díky svému velkému kroutícímu momentu vhodné pro přímý pohon velkých vrtulí bez nutnosti použít převodovku, což zajišťuje velmi dobrou účinnost celého pohonu.
| Systém označování motorů: AXI xxYY/zz |
| xx - průměr statoru v mm |
| YY - délka statoru v mm |
| zz - počet závitů |
AXI 2826/13 V2 je střídavý motor učený pro pohon modelů s letovou hmotností do 3000 g s napájením ze šestičlánkového akumulátoru Li-poly. Výborně se hodí pro 3D akrobatické modely do 2 kg apod.
Montáž motoru: AXI 2826/13 V2 je konstruován pro přední i zadní montáž. Při přední montáži za čelo motoru použijte čtyři šrouby M3, které zasahují do čela motoru v rozmezí 3,5-4 mm. Motorová přepážka by měla být z 5 mm letecké překližky.
Sada motoru obsahuje: střídavý motor AXI 2826/13 V2 s kabely, kleštinový unašeč pro pevnou vrtuli, sadu pro zadní montáž, návod.
| Napájení LiXX článků | 6 |
| Otáčky na volt [ot./min/V] | 710 |
| Počet závitů | 13 |
| Vnitřní odpor [mOhm] | 65 |
| Proud naprázdno [A] | 1.5 |
| Max. účinnost [%] | 88 |
| Proud při max. účinnosti (?>78%) [A] | 25 - 40 |
| Max. špičkový proud (60 s) [A] | 40 |
| Max. výkon [W] | 840 |
| Průměr [mm] | 35 |
| Délka [mm] | 52 |
| Průměr hřídele [mm] | 5 |
| Hmotnost [g] | 177 |
| Počet pólů | 14 |
| Časování [°] | 15 - 25 |
| Regulátor [A] | 45 - 60 |
| 3D do hmotnosti [g] | 2000 |
| Doporučená vrtule | 6S: 12x6" |
Nie sú k dispozícií žiadne parametre produktu
V nákupnom košíku
nemáte žiadne položky
Telefonický kontakt: pondelok až piatok od 9.00h. do 17.00h.
Osobný odber: pondelok až piatok od 14.00h. do 17.00h. (po telefonickej dohode je možný osobný odber aj v inom čase)
Stav skladu je automaticky aktualizovaný (min. 1×/deň).
ihneď: tovar je u nás na sklade, u Vás môže byť do 24h alebo si ho môžete už aj dnes vyzdvihnúť u nás v predajni.
1 - 4 (5, 6) dní: tovar je na sklade u našich dodávateľov, odosielame ho ihneď po prijatí na sklad.
×: tovar nie je ani u dodávateľov alebo nie je info o stave skladu, približný termín dodania Vám preveríme na požiadanie.
Vážení zákazníci, okrem tradičneho spôsobu nákupu môžete využiť aj nákup na splátky.

Naše webové stránky používajú súbory cookies za účelom správnej funkčnosti a analýzy návštevnosti. Takisto na našom serveri ukladáme Vašu IP adresu za účelom bezpečnosti našich stránok. Pre viac informácií si prečítajte naše Pravidlá spracúvania osobných údajov a ochrany súkromia