
Střídavý elektromotor s rotačním pláštěm pro modely letadel: větroň 2400g, trenér 2300g, akro 2000g, 3D 1500g, KV950 ot./min na V, napájení Lixx 3-4s. Hřídel 5,0mm. Alternativní označení podle rozměrů statoru: 2820-950.
| Výrobca | KAVAN |
| Kód | KAV30.2023 |
| Tovar je nedostupný |
44,00 €
GARANCIA CENY
Našli ste lepšiu cenu?
RCM Pelikán » Elektromotory » Střídavé » Letecké » Outrunnery » Modely 1-2kg » Motory
Základná ponuka » Elektromotory » Striedavé KAVAN
RCM Pelikán » Elektromotory » Střídavé » Letecké » Outrunnery » Modely 1-2 kg » Motory
Motory KAVAN PRO jsou vysokovýkonné bezkomutátorové (střídavé, "brushless") čtrnáctipólové elektromotory s rotačním pláštěm ("outrunner") s vynikajícími elektrickými vlastnostmi, propracovanou konstrukcí a špičkovým výrobním zpracováním. Hřídele z tvrzené oceli a kvalitní ložiska zajišťují vysokou životnost, jakostní materiály použité pro zhotovení statoru i rotoru zaručují rovněž výborné výkonové parametry při vysoké účinnosti. Jsou to nízkootáčkové motory s velkým kroutícím momentem zvládající vrtule o velkém průměru i stoupání bez potřeby převodovky.
| Systém označování motorů: PRO xxYY-zzzz |
| PRO - střídavý motor s rotačním pláštěm ("outrunner", "oběžka") |
| xx - průměr motoru v mm |
| YY - délka motoru v mm |
| zzzz - počet otáček na volt (ot./min na V), „KV“ |
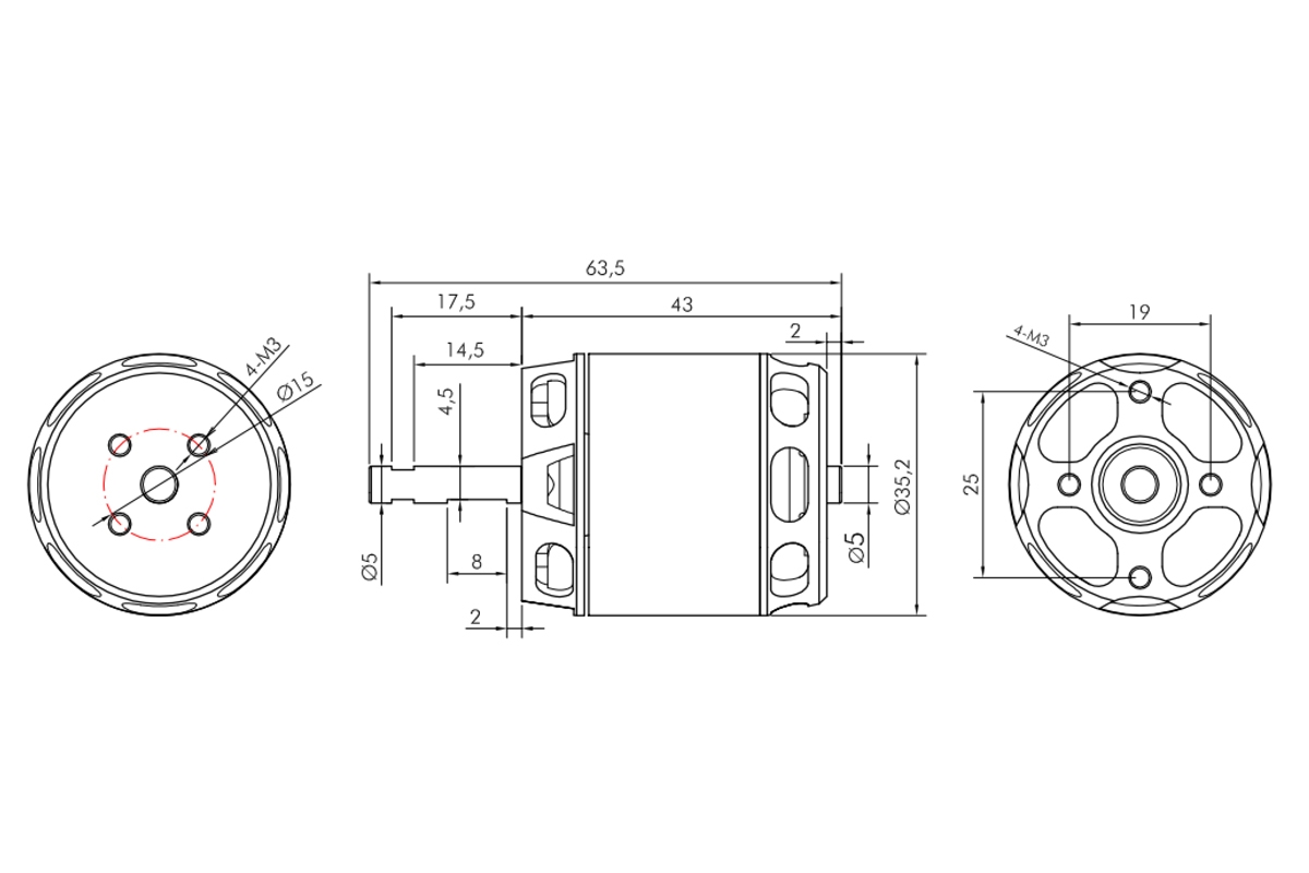
KAVAN PRO 3542-950
KAVAN PRO 3542-950 je střídavý motor učený pro pohon modelů s letovou hmotností do 2400 g s napájením z tří- nebo čtyřčlánkového akumulátoru LiPo. Výborně se hodí pro modely, jako je Classic EP, Acromaster, Stinson EP, Piper Cub EP 1520 mm od Phoenixu apod.
Montáž motoru: KAVAN PRO 3542-950 je konstruován pro přední i zadní montáž. Při přední montáži za čelo motoru použijte čtyři šrouby M3, které zasahují do čela motoru v rozmezí 3,5-4 mm. Motorová přepážka by měla být ze 4-5 mm letecké překližky. Sada pro zadní montáž (upevňovací kříž, unašeč vrtule pro zadní montáž) je dodávána spolu s motorem.
Sada motoru obsahuje: střídavý motor KAVAN PRO 3542-950 s kabely s připájenými 3,5 mm zlacenými konektory, sadu pro zadní montáž. Úplný návod k obsluze motoru si můžete stáhnout zde: Střídavé motory KAVAN PRO - Návod k obsluze
Pozn.: Alternativní označení dle rozměrů statoru 2820-950.
| Napájení LiXX článků | 3 - 4 |
| Otáčky na volt [ot./min/V] | 950 |
| Max. výkon (180 s) [W] | 900 |
| Vnitřní odpor [mOhm] | 28 |
| Proud naprázdno (při 10 V) [A] | 2 |
| Max. špičkový proud (180 s) [A] | 65 |
| Průměr [mm] | 35.2 |
| Délka [mm] | 41 |
| Délka celková [mm] | 63.5 |
| Průměr hřídele [mm] | 5 |
| Hmotnost [g] | 139 |
| Počet pólů | 14 |
| Časování [°] | 20 - 25 |
| Regulátor [A] | 70 - 80 |
| Větroň do hmotnosti [g] | 2400 |
| Trenér do hmotnosti [g] | 2300 |
| Akrobat do hmotnosti [g] | 2000 |
| 3D do hmotnosti [g] | 1500 |
| Doporučená vrtule | 3S: 12x6"-13x6.5" |
| 4S: 11x5.5"-11x8" | |
Nie sú k dispozícií žiadne parametre produktu
V nákupnom košíku
nemáte žiadne položky
Telefonický kontakt: pondelok až piatok od 9.00h. do 17.00h.
Osobný odber: Budeme Vás informovať, či je objednávka pripravená a dohodneme si termín odberu.
Stav skladu je automaticky aktualizovaný (min. 1×/deň).
ihneď: tovar je u nás na sklade, u Vás môže byť do 24h alebo si ho môžete už aj dnes vyzdvihnúť u nás v predajni.
1 - 4 (5, 6) dní: tovar je na sklade u našich dodávateľov, odosielame ho ihneď po prijatí na sklad.
×: tovar nie je ani u dodávateľov alebo nie je info o stave skladu, približný termín dodania Vám preveríme na požiadanie.
Vážení zákazníci, okrem tradičneho spôsobu nákupu môžete využiť aj nákup na splátky.

Naše webové stránky používajú súbory cookies za účelom správnej funkčnosti a analýzy návštevnosti. Takisto na našom serveri ukladáme Vašu IP adresu za účelom bezpečnosti našich stránok. Pre viac informácií si prečítajte naše Pravidlá spracúvania osobných údajov a ochrany súkromia